TSP (懸浮微粒)
符合 ISO 16890 G2 等級
SMOG 通過
台灣機構最高防霾紗窗標準 G2 認證
思瑪科為極少數通過一級防護和ISO16890 G2 認證防塵紗網
*G2 認證是截至 2025/12/01 台灣機構針對防霾紗窗最高測試標準
SMOG思瑪科
多項認證與檢測報告
為防霾紗窗保駕護航SMOG通過三代防霾防塵測試
每一次標準升級,我們都已在場。次次站上最高門檻。
SMOG 的堅持,走過三代測試
只為證明一件事——真正的防霾,不會缺席任何一次嚴格檢驗。



符合REACH歐盟環保法規檢測
SMOG思瑪科防霾紗窗
經德國萊因TÜV Rheinland檢測符合REACH規範限值
產品經德國萊因TÜV依歐盟REACH規範進行檢測,SVHC 247項高度關切物質全數未檢出,重金屬、塑化劑、有機錫等項目皆低於嚴格微量標準值下,代表沒有致癌物,無毒無害,可放心長期使用。
TÜV Rheinland檢測摘要(依歐盟REACH規範)
| 測試項目 | 測試內容 | 結果 |
|---|---|---|
| SVHC高關注物質(共247項) | 符合REACH規範,含量皆低於0.1%標準 | ✔ 全數未檢出 |
| 重金屬含量 | 鎘、鉛等 | ✔ 均低於檢出限(<10 mg/kg) |
| 塑化劑(Phthalates) | DEHP、BBP、DBP、DIBP 等8項 | ✔ 全數未檢出 |
| 有機錫化合物 | TBT、DBT、DOT等 | ✔ 未檢出,遠低於限值 |
| 多環芳香烴(PAHs) | 8項常見致癌物 | ✔ 未檢出(皆<0.2 mg/kg) |
| 全氟羧酸(C9-C14 PFCA) | PFNA、PFDA 等 | ✔ 未檢出(皆<0.01 mg/kg) |
TÜV Rheinland檢測摘要(依歐盟REACH規範)
無甲醛、無石棉、無致癌物建材,完整符合歐盟REACH環保安全法規,安心使用有保障。
檢測報告編號:48276066a 001/48276066b 001 TÜV Rheinland Hong Kong Ltd.(德國萊因檢測 香港實驗室)

通過台灣空氣過濾超高標準
SMOG思瑪科防霾紗窗
在模擬自然風速與街道粉塵實境下
實測證明能有效減緩TSP懸浮微粒
PM2.5、PM10及 TSP 防霾紗窗網的防護效果測試是經PMCA(PM2.5 Monitoring and Control Association)和國立陽明交通大學環境工程研究所嚴格把關,為目前台灣唯一且最新的防霾檢測。SMOG作為台灣少數符合國際 ISO 16890 G2 等級的主流品牌,SMOG-Ultra 依據 ISO 16890 TSP 標準與修正的 T/CAQI 82-2019,在模擬自然風速與街道粉塵的實境條件下,實測證明可有效減緩 TSP、PM10、PM2.5。
✅ 提高室內空氣品質
✅ 大幅減少室外空氣中的細微粉塵入侵
✅ 在防護效率與通風性之間取得良好平衡
G2 等級為台灣 2025年 9月份防護檢測最高標準 標準為高通風同時可減緩大部分 TSP 總懸浮微粒





T/CAQI 82 一級防護效果認證
SMOG思瑪科防霾紗窗
過檢交大環工通風.濾塵一級防護認證
SMOG不僅具備優秀的防護性能,還經過國立陽明交通大學環境工程研究所的嚴格檢測,達到T/CAQI 82防霧霾紗窗標準的一級防護效果。
通風量測試(防護效果一級標準為≤80):
| 試驗項目 | 試驗方法 | 結果 |
| 通風量測試 | 流量 6.92~23.1 L/min | 壓力損失為 17.2 Pa |
| 氣流流速測試 | 流速 0.20 m/s | 壓力損失為 17.2 Pa |
粉塵過濾測試(防護效果一級標準為≥50):
風速 0.20 m/s 狀態下:
- TSP (0.1 微米至 100 微米顆粒) 粉塵收集效率 64±1%
- PM10 (小於或等於 10 微米顆粒) 粉塵收集效率 58±2%
- PM2.5 (小於或等於 2.5 微米顆粒) 粉塵收集效率 52±3%

通過SGS 紫外線2000小時
超高標準耐用測試
SMOG思瑪科防霾紗窗
通過紫外線耐候性測試
聚酯纖維 PET 對紫外線特別敏感,正常1000小時就會開始出現泛白。
SMOG防霾紗窗經過 2000 小時殘酷耐候測試,外觀無異狀。
紫外線耐候性測試結果:
| 試驗項目 | 試驗方法 | 結果 |
| 耐候性(2000h)-外觀 | ASTM G154-23 | 外觀無異狀 |
截至2025/12/01止,2000 小時紫外線曝曬耐用測試在防霾紗窗品項為最頂尖標準。





符合綠建材的無毒標準
SMOG思瑪科防霾紗窗
七大重金屬檢測結果未檢出
綠建材標準測試結果:
從採樣報告中可知,鎘、鉛、銀、砷、銅、汞中的含有率遠小於檢測標準,證明SMOG防霾紗窗於此檢測標準上優於綠建材無重金屬定義。
七大重金屬檢測結果一覽表
| 檢測項目 | 檢測結果 | 標準限值 | 是否符合 |
| 總鎘 (Cd) | 未檢出(<0.0014 mg/L) | 0.3 mg/L | ✔ 合格 |
| 總鉛 (Pb) | 未檢出(<0.025 mg/L) | 0.3 mg/L | ✔ 合格 |
| 總銀 (Ag) | 未檢出(<0.0055 mg/L) | 0.05 mg/L | ✔ 合格 |
| 總砷 (As) | 未檢出(<0.035 mg/L) | 0.3 mg/L | ✔ 合格 |
| 總銅 (Cu) | 未檢出(<0.0053 mg/L) | 0.15 mg/L | ✔ 合格 |
| 總汞 (Hg) | 未檢出(<0.00021 mg/L) | 0.005 mg/L | ✔ 合格 |
| 六價鉻 (Cr⁶⁺) | 未檢出(<0.0052 mg/L) | 1.5 mg/L | ✔ 合格 |
嚴格把關:由專業實驗室檢測,方法符合國家標準(NIEA)
超高靈敏度:精密儀器可檢測極微量重金屬(最低達0.00021 mg/L)
全數合格:七大有害重金屬均未檢出,遠低於安全標準

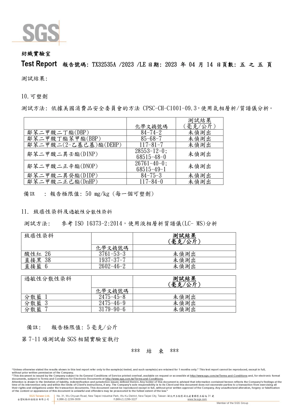
通過SGS無毒&超高透氣測試
SMOG思瑪科防霾紗窗
通過SGS無毒認證及超高透氣測試
SGS為台灣最具公信力之驗證機構,以全球集團資源協助客戶,為企業以及消費者的一種承諾以及信賴。
無毒認證測試結果:
| 試驗項目 | 試驗方法 | 結果 |
| 致癌性及過敏性 | 使用液相層析質譜儀分析 | 未偵測出 |
| 可塑劑 | 使用氣相層析/質譜儀分析 | 未偵測出 |
超高透氣性測試結果:
100pa風壓下,近距離風速測試仍保有6.15m/s平均風速
(100pa風壓約等同9m/s平均風速,採樣範圍20 sq.cm)




通過TTRI靜電效應測試
SMOG思瑪科防霾紗窗
通過TTRI靜電量與持續時間專業檢測
SMOG防霾紗窗經輕度摩擦可產生超過5,500V的高靜電量(遠高於0.5V的吸附門檻),展現優異的微粒靜電吸附潛能。
靜電效應持續時間皆超過60秒,達檢測上限,證明其靜電穩定性與效能具備長效特性。
靜電壓測試(單位:V):
本產品靜電值僅有微粒吸附效應且電流量極低,故無任何安全疑慮,可安心使用於家中環境。
| 測試材質 | 測試位置 | 測試結果 |
| 棉布摩擦 | 經對經 | 5700V |
| 棉布摩擦 | 緯對緯 | 5572V |
| 羊毛摩擦 | 經對經 | 5641V |
| 羊毛摩擦 | 緯對緯 | 5858V |
靜電消散測試結果表
靜電效應穩定,所有測試皆超過 60 秒以上(檢測上限)
|
試驗項目
|
試驗結果 |
試驗方法
|
||||
| 樣品1 | ||||||
| 1 | 2 | 3 | ||||
|
靜電消散(s)
|
試片1-正極 | over 60 | over 60 | over 60 | FTTS-FA-009-2005 4.3±5 kV, 環境溫度/濕度: 23°C, <15% RH |
|
| 試片1-負極 | over 60 | over 60 | over 60 | |||
| 試片2-正極 | over 60 | over 60 | over 60 | |||
| 試片2-負極 | over 60 | over 60 | over 60 | |||
通過TTRI耐候性抗UV測試
SMOG思瑪科防霾紗窗
符合TTRI耐候性抗UV係數數值
TTRI為台灣的紡織產業研究機構試驗報告,SMOG防霾紗窗防紫外線係數可達53%+的防護效果。並且通過了耐候性、防紫外線方面的檢驗測試。
| 試驗項目 | 試驗方法 | 結果 |
| 防紫外線 | SOLAR LIGHT SPF | 53%+ 防護效果 |
| 耐候性測試 | 於烘箱內(60±5)°C*8小時 | 經向、緯向尺寸變化皆為0% |


我們的防霾紗窗經過多項嚴格的認證與檢測報告,包括國家專利、品質檢測、無毒檢測等,確保其品質卓越同時帶來正確效果。選擇我們的產品,您可以放心享受清新的室內空氣,讓防霾紗窗為您和您家人的健康保駕護航。
T/CAQI 82一級防霾標準
經防霾紗窗防護效果檢驗,確保紗網在近似真實環境下的優異表現,符合 T/CAQI 82 一級防霾標準。此外,產品經過國立交通大學環工研究所檢驗測試,並通過嚴格標準,實驗得出其通風性和防護性達一級標準。 測試數據源 : 國立陽明交通大學環境工程研究所
SMOG微靜電防霾紗網採用100微米孔徑編織技術,結合微靜電材質應用工藝而製成。 特性是可減少95%以上的灰塵、沙塵進入室內,並以更高密度的靜電吸附力降低50-70%正電性油煙、香菸、霧霾飄散微粒侵入室內環境,以確保安裝場景空氣品質常年清新。
並且因紗網為透氣性要求非常高的紡織類產品,因此SMOG微靜電防霾紗窗所採用的100微米孔徑編織結構,必須搭配45微米的極細紗線,並採用1:3高透氣間距鎖針工法才可實現『超高防護等級,亦能達成高透氣、高採光』的使用需求。
同時SMOG微靜電防霾紗窗,為因應半耐用品的產品應用屬性。
因此引進日本技術源的精紗機台、極精紗線噴紗頭,結合熱固結構製程工藝,讓SMOG微靜電防霾紗網能在僅僅不到100微米的超薄厚度下,仍然擁有9.5KGF/CM2(等同每平方公分,可抵抗9.5公斤張力)的超高強度抗風、抗韌能力。
測試數據源 : SGS 台灣檢驗科技股份有限公司



















